• 返回
  • 首页
  • 导航
  • 首页
    右
    右

    下

    D2L-D

    • D2L-D

    右产品详情

    深圳市月盛的子有限公司供应超薄姆龙最小鼠标微动开关D2L-D
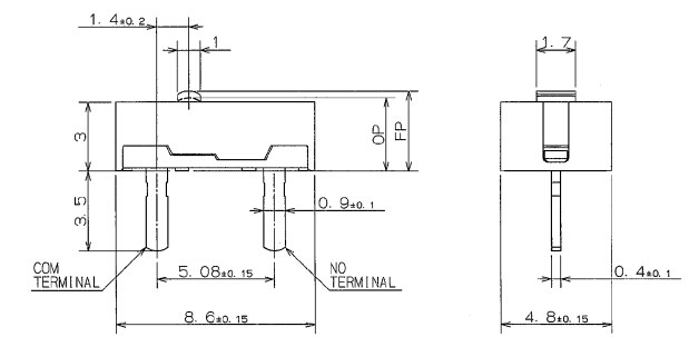
    两脚插件微动开关,寿命300万次

    尺寸长8mm*宽4.8mm高3.5mm

    D2FC-3M, 克力为:60+/-15G,寿命为300万次;

    D2FC-F-7N, 克力为:60+/-15G,寿命为500万次;

    D2FC-F-7N(10M), 克力为:60+/-15G,寿命为1000万次;

    D2FC-F-7N (20M) 克力为:60+/-15G,寿命为2000万次;

    D2FC-7-H  克力为:90+/-15G,寿命为500万次;

    欧姆龙贴片鼠标微动开关D2LS-11
    欧姆龙贴片微动开关D2LS-21克力60g+/-15g
    鼠标贴片微动开关D2LS-11克力120g+/-15g
    尺寸长11.8mm宽4.8mm高3.5mm



    右相关产品

    电话 短信  地图    留言